●パワーウィンドウスイッチの詳細
パワーウィンドウマスタースイッチはパーツリスト上
で部品注文ができます。しかし左右が同時に壊れることはまずないので、スイッチ部分だけの注文が現実的
左:

それぞれのスイッチ単体は上下対称の造りなので、前後の開閉に違和感がある人は、スイッチを反転させて取り付けてみるべし
(^o^)
●パワーウィンドウのオート化の詳細
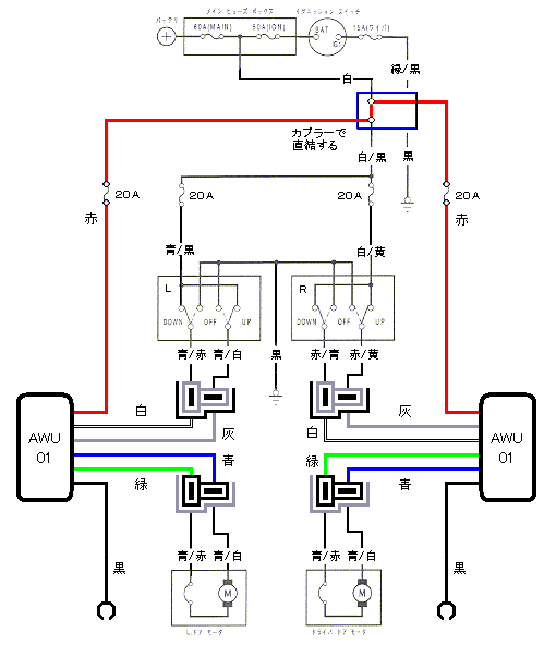
ネットDIY派ではかな〜り有名な
八木澤Webページ、DIY派向けにたくさんの便利な電子キットが販売されています。その中の「オートウィンドウユニット」を使ってビートの運転席PW・助手席PWをオート化しましょう(^o^)/【注意】この商品はあくまで汎用ユニットであって、車種専用キットではありません。端子加工などはDIY必須!!!
商品名「オートウィンドウユニットAWU01」 \
5,800オリジナルの「ダブルクリック判定機能」を搭載。このユニットを割り込ませることにより、純正PWスイッチのダブルクリックで下降方向に4秒間、上昇方向に5秒間のオート動作が追加できます。挟み込みの検出はできませんが、逆方向へのスイッチングでオート中の動作をキャンセル可。AWU商品に助手席ドア内設置用01型、運転席ドア内設置用02型がありますが、ビートの場合は運転席も助手席も01型でOK。ネット注文で支払は代金引換郵便のみ。

とにかく、びっくりするのがこの小さな基盤。電子ライターサイズで、完全に手のひらの中にすっぽり
(^o^)ですね。どうしても設計の古さが目立つミツバの基盤と比べても大きさにしてこれほどの違いが…(^_^;)市販されているオート化キットの大半は基本的にミツバのキットの流用。回路図と純正配線を理解し、流用加工できる方ならお試しあれ
(^o^)/
■PWマスタースイッチ付近へ配線される場合
PWスイッチ配線に割り込まる方法だと、どうしても中央コンソール内になってしまうビート。この小さい基盤はとてもありがたいことですね
(^o^)
■PWリレーから電源をとり、足元付近へ配線される場合
ビートはPWリレーが運転席足元にあり、そこから一旦中央コンソールのマスタースイッチへ。再び足元に帰りドア内パワーモータへ配線。ならば…
(^_^;)足元にあるPWリレーから直接電源をとれば、必要な配線作業が足元付近のみで完了できます。PWリレーは汎用4極カプラーオスメスで延長し、そこから電源を確保すればOK。更に私の場合、
常時可動化しておりますので下のような配線状態となっております(^_^;)
まずは接続のための下準備から
(^_^;) 足元のドアにつながる4極コネクタのうち、外側2極はスピーカー線、内側2極がPWモーター配線です。接続を容易にするためにも2極カプラー化しておくと便利でしょう。

AWU01の各配線にも端子圧着。PWリレー電源から直接電源を取るので必ず20Aヒューズを追加します。これを忘れるとメインヒューズの方が飛んでしまいますので要注意! 各配線を接続し通電チェック。各通電状況に応じて基盤上の赤と緑のモニターLEDが光りますのでチェックは容易。いや〜よく考えられています
o(^-^)o
念のためビニルテープでぐるぐると…との指示がありますのでぐるぐる
(@_@) 普通の安売りビニルテープは禁物ですよ、糊でぐちゃぐちゃになりますから(^_^;) きちんとした配線用テープを使用すべし!同時に助手席側もオート化しました。PWモーター配線は
[青/白][青/赤]。PWリレー電源を助手席側足元まで延ばし、運転席同様に足元だけで配線完了です。
●パワーウィンドウスイッチにLED
私もパワーウィンドウスイッチの穴に平形LEDを埋め込みました。たまたま2段に薄くなった異形LEDがあったので、穴の加工は全く必要ありませんでした
(^o^)
安全な電圧値を取るため、抵抗器(抵抗値忘れた・・
(^_^;))を挟んではんだ付け。電源への接続には、真下に配線されているサブウーファー用のACC[黄/赤]から拾いました。ちなみに、ここにはオーディオON/OFFに連動する配線もありますので、アイデア次第でなにかできるかもよ?